본문 바로가기
HOME
ADMIN
회사소개
제품소개
고무종류 및 특성
견적문의
오시는 길
제품소개
오링
각링
오일씰(리데나)
팩킹&수입팩킹
압출제품
자바라
방진고무&산업용방진
고무발
고무캡&PVC캡
엔드캡
고무손잡이&PVC손잡이
노브
메꾸라(판넬홀 막음)
붓싱(판넬홀 전선통과)
로라코팅
메카니칼씰
고무판(롤)&시트
캬프링
스폰지 제품
그랜드팩킹&탑씰
유면계(오일게이지)
고무제품 주문제작(고객맞춤형)
우레탄U팩킹
고무U팩킹
더스트씰
V팩킹
콤팩트씰
스텝씰
글라이드링
웨어링
CNC가공(맞춤형제작 팩킹)
고무U팩킹
SKY
KY/KKY
MYA
GLY
PSD
PGY
PNY
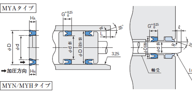
MYA
MYA 패킹 [피스톤, 로드양용 패킹]
MYA는 소구경 공기압용 실린더의 U패킹으로 사용된다.
MYA는 마찰 저항이 적고 소구경실린더등에 적합 합니다.
MYA는 MYNI-Y로도 호칭됩니다.
재 질 : NBR, VITON
인천광역시 서구 보듬로 158, 검단지식산업센터 블루텍 공존1층 133호 | 전화번호 : 032-220-5588~9 | 팩스 : 032-222-5133 | 휴대폰 : 010-4769-8105
상호명 : 태광특수고무 | 대표자 : 채동현 | 사업자등록번호 : 148-57-00136 | Copyrighⓒ TAKWANG SPECIAL RUBBER All Rights reserved.